Radialventilatoren
FRv-Serie:
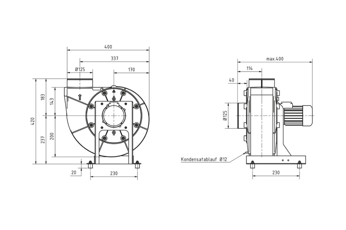
Kleine Radialventilatoren; FRv 075, FRv 110
Radialventilatoren; FRv 125, FRv 125/140, FRv 160, FRv 160/180, FRv 200, FRv 200/225, FRv 250, FRv 250/280
Die von uns angebotenen Radial- und Dachventilatoren sowie Axialventilatoren sind hervorragend geeignet zur Förderung aggressiver Abluft und Gase. Explosionsfähige Atmosphäre kann mit einem, ausschließlich für diesen Einzelfall spezie
Produktbeschreibung
Die Auslegung der Ventilatoren und die Bestimmung der einzusetzenden Materialien erfolgt unter Berücksichtigung folgender Abhängigkeiten: Gaszusammensetzung, Medientemperatur und -dichte sowie die Laufraddrehzahl.
Schwer entflammbare Kunststoffe
Standardmäßig werden die Radialventilatoren aus schwerentflammbarem Polypropylen (PPs) hergestellt. Bei größeren Nennweiten oder Sondertypen können zu dem genannten Werkstoff auch PVC, PP, PE und PVDF zum Einsatz kommen. Als Laufradwerkstoffe kommen neben den thermoplastischen Kunststoffen, in Abhängigkeit der Druckstufen sowie weitere verfahrenstechnischen Parametern diverse Sondermaterialien zur Anwendung (GfK, CfK, Stahl und Edelstahl).


